- Вернуться в каталог шпунта
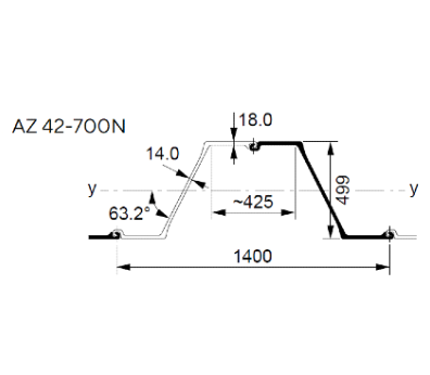
- AZ 42-700N
AZ 42-700N
01
/
521
Шпунт AZ 42-700N -
Значительная жёсткость среди профилей AZ, справляется с очень серьёзными нагрузками и изгибами.
Применяется при строительстве масштабных гидротехнических и промышленных сооружений. Эффективно работает при больших глубинах погружения. Обеспечивает максимальную устойчивость шпунтовой стены к деформациям. Подходит для участков с высоким давлением грунта и воды. Используется на объектах с повышенными требованиями к надежности.
Характеристики
| Ширина профиля | Вес м2 | Вес м.п. | Толщина стенки | Толщина полки |
| 700 мм | 203,1 кг | 142,1 кг | 18 мм | 14 мм |
| Высота профиля | Марка стали | Упругий момент сопротивления | Момент инерции |
| 499 мм | S355GP | 4205 см3/м | 104930 см4/м |