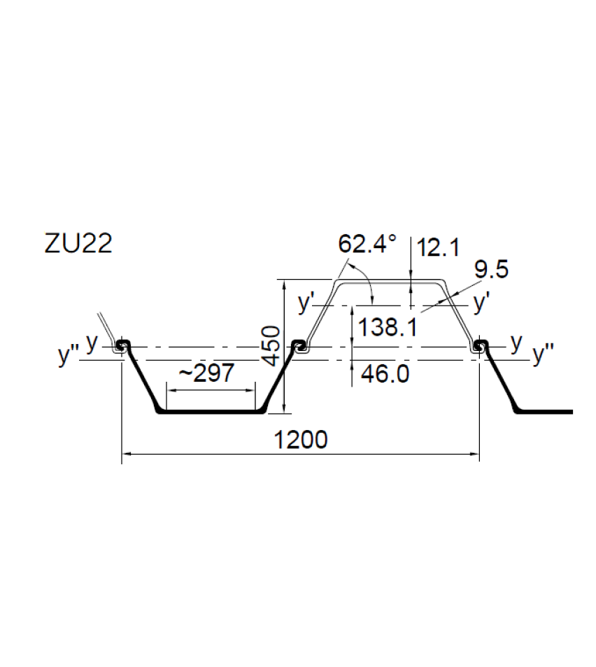
ZU22

Шпунт ZU 22

Z-профиль средней тяжести. Является универсальным вариантом, подходящим для многих задач благодаря своей сбалансированной конструкции.

Применяется для ограждения котлованов, траншей и строительных площадок. Подходит для временных и постоянных шпунтовых конструкций. Используется в гражданском, коммерческом и промышленном строительстве. Обеспечивает надежную фиксацию грунта при средней нагрузке. Удобен в транспортировке и монтаже. Является аналогом европейского GU22N

Характеристики

Ширина профиля Вес м2 Вес м.п. Толщина стенки Толщина полки
600 мм 143,6 кг 86,1 кг 12,1 мм 9,5 мм
Высота профиля Марка стали Упругий момент сопротивления Момент инерции
450 мм S355GP 2200 см3/м 49460 см4/м

Преимущества

Спецтехника

Смотреть все объекты

Блог